EN CN
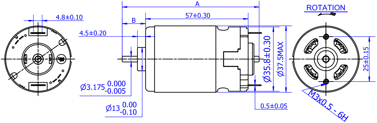
JBSA5512P

JBSA5512P

Use:

Description:

Details